干式/防凍預付費水表
發布時間:2016/11/24 點擊量:
一、產品特點:1、階梯水價功能:水表對每月的用水量按設定的階梯單價分段計費。
2、余額報警功能:當水表剩余(金額)小于設定的報警值時,閥門關閉報警一次,用戶發現關閥后可插用戶卡將閥門開啟, 剩余金額用完后閥門將再次關閉。直至輸入新的購水金額。
3、退卡退水功能:用戶可隨時辦理退值或退卡退值手續。
4、補卡掛失功能:如果用戶將卡丟失,須到管理終端處辦理相應的補卡手續。本系統補卡后。原用戶卡作廢。
5、數據返寫卡片功能:本水表用戶每次購水,管理終端將從IC卡提取水表使用數據,包括累計用量、剩余用量、當月用量、 最近12個月用水記錄、閥門狀態、電池狀態、表位等信息。
6、液晶顯示功能:本水表液晶顯示屏顯示本次購水金額、剩余 金額、累計金額、閥門狀態、電池電量不足提示、錯卡提示等。
7、防磁干擾功能:當水表遇外界強磁干擾影響水表的正常計量時,水表閥門關閉。磁干擾消除后.閥門自動開啟。
8、電壓監控功能:內置電池電壓低于設定值時。報警后關閥, 提示更換電池,保存表內信息。
9、閥門自動維護功能:定期開關閥一次。避免閥門結垢。
10、密封性:采用射頻技術。信息無線傳輸,密封性好,防水, 防潮、防人為攻擊。
二、產品特性:機芯不過水,靠水流推動葉輪轉動,葉輪上的磁鋼靠磁力帶動齒輪轉動,齒輪里的磁鋼上傳信號,優點是冬天在戶外不會凍爆表,水中雜質不會導致表盤面污濁,缺電是由于是此傳動齒輪轉動,水質里面金屬雜質多的時候會導致受影響。
殼體設計有單流束、多流束,2種供用戶選擇。
三、主要技術參數
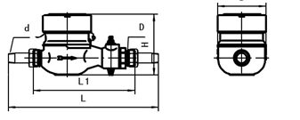
四、外形尺寸及安裝:


2、余額報警功能:當水表剩余(金額)小于設定的報警值時,閥門關閉報警一次,用戶發現關閥后可插用戶卡將閥門開啟, 剩余金額用完后閥門將再次關閉。直至輸入新的購水金額。
3、退卡退水功能:用戶可隨時辦理退值或退卡退值手續。
4、補卡掛失功能:如果用戶將卡丟失,須到管理終端處辦理相應的補卡手續。本系統補卡后。原用戶卡作廢。
5、數據返寫卡片功能:本水表用戶每次購水,管理終端將從IC卡提取水表使用數據,包括累計用量、剩余用量、當月用量、 最近12個月用水記錄、閥門狀態、電池狀態、表位等信息。
6、液晶顯示功能:本水表液晶顯示屏顯示本次購水金額、剩余 金額、累計金額、閥門狀態、電池電量不足提示、錯卡提示等。
7、防磁干擾功能:當水表遇外界強磁干擾影響水表的正常計量時,水表閥門關閉。磁干擾消除后.閥門自動開啟。
8、電壓監控功能:內置電池電壓低于設定值時。報警后關閥, 提示更換電池,保存表內信息。
9、閥門自動維護功能:定期開關閥一次。避免閥門結垢。
10、密封性:采用射頻技術。信息無線傳輸,密封性好,防水, 防潮、防人為攻擊。
二、產品特性:機芯不過水,靠水流推動葉輪轉動,葉輪上的磁鋼靠磁力帶動齒輪轉動,齒輪里的磁鋼上傳信號,優點是冬天在戶外不會凍爆表,水中雜質不會導致表盤面污濁,缺電是由于是此傳動齒輪轉動,水質里面金屬雜質多的時候會導致受影響。
殼體設計有單流束、多流束,2種供用戶選擇。
三、主要技術參數
| 口徑(DN)mm | 純水表 | 15 | 20 | 25 |
| 過載流量(Q4)m³/h | 1.25 | 3.125 | 5.00 | 7.875 |
| 常用流量(Q3)m³/h | 1.00 | 2.50 | 4.00 | 6.30 |
| 分界流量(Q2)m³/h | 0.01 | 0.05 | 0.08 | 0.126 |
| 最小流量(Q1)m³/h | 0.00001 | 0.0313 | 0.05 | 0.0788 |
| 測量范圍(Q3/Q1) | 160/80 | 80 | ||
| 誤差 | 小流量:≤±5% 常用流量:≤±2%(冷水)、≤±3%(熱水) | |||
| 讀數范圍 | 0.00001~99999.99999 | 0.0001~99999.9999 | ||
| 工作溫度 | 0.1℃~30℃ | 冷水表:0.1℃~30℃;熱水表:0.1℃~90℃ | ||
| 允許水壓 | 0.03 MPa~0.5MPa(PPO) | 0.03 MPa~1 MPa | ||
| 0.03 MPa~1MPa | ||||
| 始動流量 | 2L/h(防滴漏水表)/0.00001 | |||
| 靜態工作電流 | ≤5μA(帶時鐘芯片) | |||
| 壓損等級 | △p63(≤0.063MPa) | |||
| 流動剖面敏感度等級 | U10,D5 | |||
| 氣候和機械環境安全等級 | B類 | |||
| 電磁兼容性等級 | E1 | |||

